Чтение онлайн

ЖАНРЫ

Гидропривод пресса
Шрифт:

Движениями траверсы пресса управляют контроллером типа контроллера мостового крана. Сигнальные лампочки показывают наличие потока масла и рабочее давление.

………

Описание элементов гидропривода:

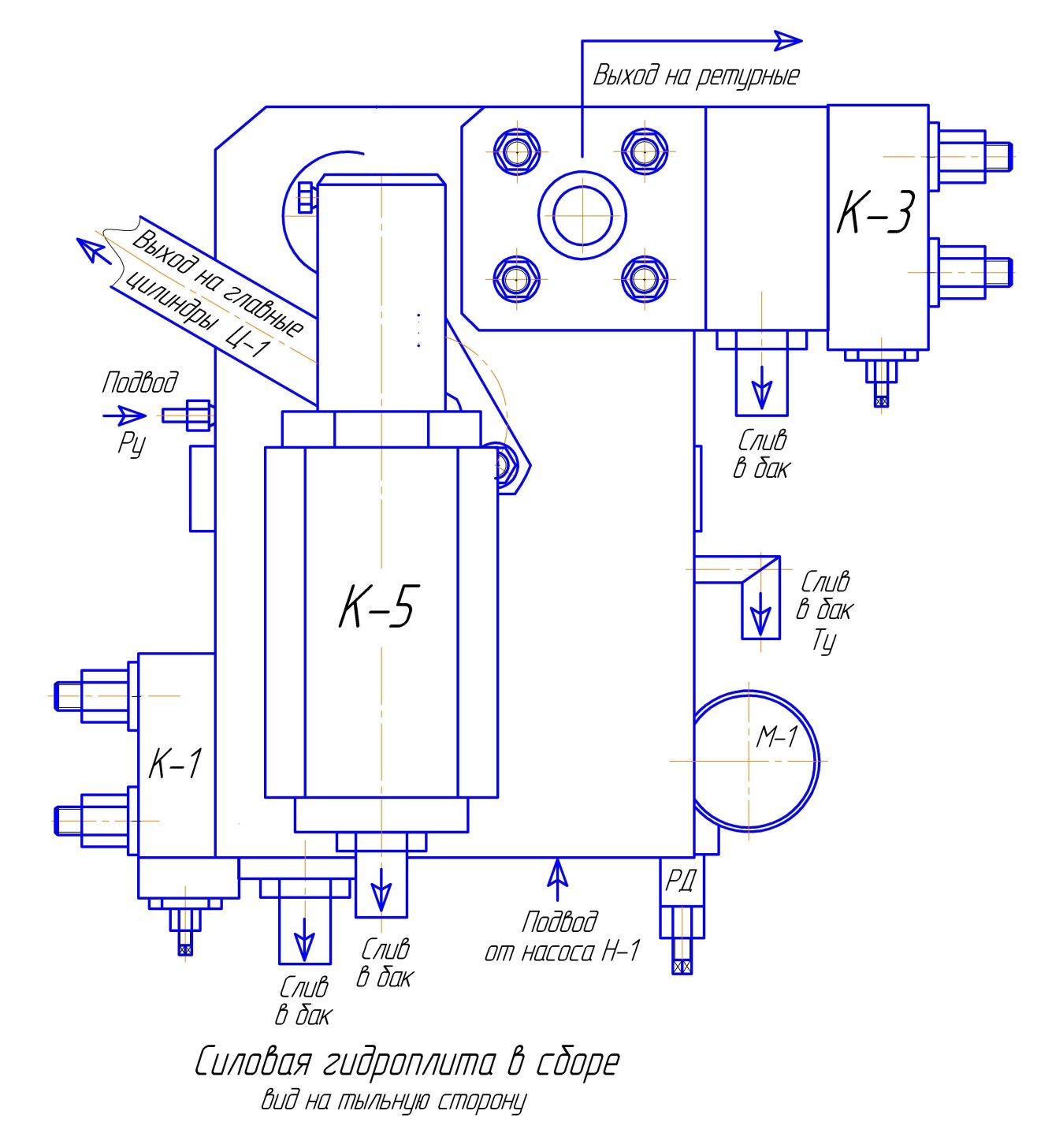
Все силовые гидроэлементы закреплены и гидравлически соединены

между собой с помощью силовой гидроплиты ( СГП ). Силовая гидроплита – основа конструкции и ее опишем подробно.

Силовая гидроплита в сборе.

,,,

,,,

Фото силовой гидроплиты.

,,,

Фото с пояснениями.

,,,

,,,

На лицевой стороне СГП виден силовой гидрораспределитель 2Р323АЛ1 64А. Надпись « Р » подвод и надпись « Т » слив – показывают, как должен быть установлен гидрораспределитель. На притычной плоскости гидрораспределителя так же имеются литеры « Р » и « Т ».. Боковые выходы на СГП так же помечены

надписями « Ру » подвод давления от насоса управления Н-2. Надпись « Ту » означает слив в бак с золотника пилота ( Y3 – Y4 ). Перед установкой гидрораспределителя на СГП –

с гидрораспределителя необходимо снять золотник пилот – проверить правильность гидросоединений – на соответствие гидросхеме. На силовом гидрораспределителе заглушить резьбовой пробкой соединение отв. « Р » силового золотника с отв. « Р » золотника пилота. Убрать заглушки – соединить « Р » золотника пилота

с отв. « Ру » силового золотника. Аналогично: На силовом гидрораспределителе заглушить резьбовой пробкой соединение отв. « Т » силового золотника с отв. « Т » золотника пилота. Убрать заглушки – соединить « Т » золотника пилота с отв. « Ту » силового золотника. Места расположения и назначение пробок описаны в паспорте силового гидрораспределителя. После выполнения этих операций – проверить их правильность продувкой сжатым воздухом и проливкой керосином. Затем установить золотник пилот на силовой гидрораспределитель, обращая особое внимание на совпадение отверстий « Р » и « Т » золотников и правильность положения уплотнительных колец. Чтобы резиновые кольца не выпали при монтаже – кольца вклеивают в заточки для колец солидолом. Проверку и проливку нового золотника делать обязательно, так как на заводе изготовителе соединения и установку пробок часто путают

и потом на работающем прессе возникают сюрпризы.

Клапана К-1 и К-3 установлены в корпуса, разработанные при разработке гидропривода. Внутренние и присоединительные размеры корпуса указаны в паспорте на встроенный предохранительный клапан.

Корпус имеет две шлифованные плоскости с заточками для установки резиновых уплотнительных колец. При установке обратить внимание на отверстие дренажа.

Конец ознакомительного фрагмента.

Поделиться с друзьями: