Чтение онлайн

ЖАНРЫ

Шрифт:

Фюзеляж NF Мк 11

Хвостовая часть F Мк 8

Радиокомпас NF Mk 13

Носовая часть NF Mk 14

Носовая

часть F Mk 1 – 4

Центроплан F Мк 1 – 3

Центроплан F Мк 4

Направляющие для реактивных снарядов

Размещение пушек в крыле NF

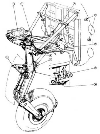
Стойка основного шасси F Мк 8. Такие же использовались на всех "Метеорах" от Т Мк 7 до ТТ Мк 20.

Носовая стойка шасси F Мк 8. Такие же исползовались на всех остальных "Метеорах".

Радар NF Мк 11

Отсек модулятора и премо-передатчика радара в удлинненом носу NF Мк 14

Размещение фотокамеры F. 95 в носу FR Мк 9

Размещение фотокамеры F. 24 в носу FR Мк 9. Аналогично камера размещалась на PR Mk 10.

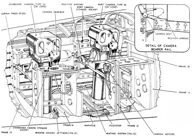
Размещение двух фотокамер F. 52 в фюзеляже PR Mk 10

Подкрыльевой контейнер управления Мк 1 для беспилотного "Метеора" U Мк 15

Подкрыльевой контейнер управления Мк 3 для беспилотного "Метеора" U Мк 15

Система отстрела тепловых ловушек, монтировавшаяся у правого двигателя U Мк 15

Ветряной генератор привода лебедки буксировщика целей TT Мк 20

Штанга лебедки буксировщика целей TT Мк 20

Базировавшаяся на авиабазе Тангмер 29-я эскадрилья стала первым подразделением RAF, получившим в августе 1951 года ночные истребители «Метеор» NF.11. Самолет

па снимке (НМ 174) несет полную гамму обозначений эскадрильи и индивидуальный код «L» на киле. Обозначения состоят из красных и белых полос, поверх которых нанесены красные X.

«Метеор» NF.11 ВВС Бельгии на стоянке заснеженного аэродрома. Этот самолет принадлежал 10-й эскадрилье 1-го крыла и сохранил британский камуфляж. Некоторые бельгийские IS/F.11 сохранили также бортовые номера RAF на нижней поверхности крыла.

Имперская школа летчиков-испытателей (Empire Test Pilots School, ETPS) имела все типы самолетов, находящихся па вооружении RAF. Этот «Метеор» !\'F./1 (WD769) использовался ETPS в 1950-х годах.

Конструкция фюзеляжа

Meteor F 8

Meteor NF 11

На сильно облезшем «Метеоре» Meteor MF.ll (WD668) еще сохранились обозначения 5-й эскадрильи – последней части, где он служил. Самолет сфотографирован на открытой стоянке в 1961 году. «Метеор» NF.ll стал первой модификацией этой машины, на которой пушки разместили в крыле.

Хотя «Метеор» NF. 11 не мог похвастать какими-либо выдающимися характеристиками, он хорошо справлялся с ролью ночного истребителя, особенно учитывая, что его создавали в качестве временной замены. Несколько эскадрилий RAF эксплуатировали NF. 11 совместно с ночными истребителями «Вампир» NF.2, а позднее – с «Веномом» NF.2 и NF.3.

Возникали проблемы с подкрыльевыми баками, которые иногда разрушались при открытии огня из пушек на высокой скорости. Был проведён ряд испытаний, пытались улучшить герметизацию баков, но решить проблему полностью так и не удалось. Фонарь кабины с массивным переплётом также создавал проблемы экипажам, ограничивая им обзор, особенно при посадке ночью.

Помимо RAF «Метеоры» NF. 11 поставлялись также и в ВВС других стран. Первыми в 1952 году ночные истребители приобрели Бельгия и Дания. Бельгия получила двадцать самолётов, ранее принадлежавших RAF, и ещё одна такая же партия была закуплена и поставлена в 1956 году. Эти машины несли службу до 1958 года. Часть из них получила бельгийские серийные номера, а часть сохранила старые британские, что порой приводило в замешательство пилотов других подразделений. «Метеоры» NF.11 служили в 10-й и 11-й эскадрильях ВВС Бельгии; их постепенно заменили канадскими истребителями Авро CF-100.

ВВС Бельгии приобрели в общей сложности двадцать четыре «Метеора» ISF.ll. Верхняя часть обтекателя радара на этом самолете окрашена в черный цвет. Самолет имел индивидуальный код «Н», продублированный на створке передней стойки шасси.

Конструкция обтекателя радара

Meteor NF 11

Meteor NF 12

«Метеор» NF.12 (WS665) 25-й эскадрильи с буксировочной тягой, закрепленной на передней стойке шасси. В середине 1950-х годов подразделение базировалось на аэродроме Уэст Мэйлинг. Обозначения эскадрильи состояли из черных и серебряных полос на фюзеляже и эмблемы подразделения на киле.

Дания получила двадцать NF. 11 в течение 1952-1953 годов прямо со сборочных линий Амстронг Уитворт. Эти машины получили серийные номера с 501 по 520, они служили в 723-й эскадрилье в Карупе, защищая северный фланг НАТО до 1958 года, когда их заменили американскими F-86.

Поделиться с друзьями: