Чтение онлайн

ЖАНРЫ

Общестроительные отделочные работы. Практическое пособие для строителя
Шрифт:

Глава 5

КОНСТРУКЦИИ ОСНОВНЫХ СТОЛЯРНО-СТРОИТЕЛЬНЫХ ИЗДЕЛИЙ

1. Виды, назначение и способы изготовления опалубки и инвентарных лесов

При строительстве зданий и сооружений из монолитного бетона и железобетона применяют опалубку. Опалубка представляет собой формы, в которые укладывают арматуру и бетонную смесь либо одну бетонную смесь с целью получения требуемых строительных конструкций. Формы и внутренние размеры опалубки должны соответствовать заданным по проекту размерам и форме железобетонных и бетонных конструкций.

Опалубка должна иметь точные размеры в соответствии с рабочими чертежами, быть прочной, жесткой.

Она не должна деформироваться под воздействием технологических нагрузок и препятствовать удобству установки арматуры и уплотнению бетонной смеси. По своей конструкции опалубка должна обеспечить соблюдение геометрических размеров бетонируемых элементов, необходимые быстрый монтаж и демонтаж, удобство ремонта и замены негодных элементов, минимальное сцепление с бетоном. Греющая опалубка (термореактивная) должна обеспечивать равномерную температуру на палубе-щите, причем температурные перепады не должны превышать 5 °C. Применяют ее в основном в зимнее время и для ускорения схватывания бетона в летнее время.

Опалубка не должна иметь отверстий и щелей, а при заполнении бетонной смесью – пропускать цементное молоко.

Деревянная опалубка может быть использована для бетонирования до 30 раз. Повторное использование опалубки называют оборотом.

Рекомендуется применять инвентарную опалубку, которая легко собирается и разбирается. Разбирать опалубку нужно аккуратно, чтобы не поломать и не испортить доски, щиты.

Применение инвентарной опалубки в виде щитов повышает ее оборачиваемость. Инвентарная опалубка имеет унифицированные размеры, поэтому ее можно использовать для бетонирования различных строительных конструкций, имеющих размеры, которые соответствуют основному модулю.

Стяжные болты, тяжи и другие элементы крепления должны быть инвентарными, легко устанавливаться и сниматься. Для увеличения оборачиваемости инвентарной опалубки, а также получения пос ле бетонирования более гладкой поверхности опалубку обтягивают полиэтиленовой пленкой, которую крепят прижимными брусками либо приклеивают к поверхности палубы-щита. Пленка имеет гладкую поверхность, водонепроницаема, сцепление ее с бетоном практически незначительно. При аккуратной разборке опалубки пленка почти не получает повреждений.

Виды опалубки. В зависимости от конструкции возводимых зданий применяют различные виды опалубки. Разборно-переставную мелкощитовую инвентарную унифицированную опалубку применяют для бетонирования разнотипных монолитных конструкций, в том числе криволинейного очертания. Разборно-переставную крупнощитовую опалубку используют при возведении крупноразмерных массивных конструкций, стен; горизонтально-скользящую (катучую) – при устройстве тоннелей, коллекторов, водоводов и т. п.; объемно-переставную – при возведении жилых и общественных зданий.

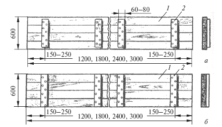
Наиболее часто используют деревянную разборно-переставную опалубку, состоящую из отдельных унифицированных щитов (рис. 64) и поддерживающих их ребер, схваток, стяжек. В некоторых случаях опалубку поддерживают леса, состоящие из стоек, раскосов и т. п.

Рис. 64. Унифицированные щиты деревянной разборно-переставной опалубки: а – для фундаментов, стен, колонн, плит, перекрытий; б – для ленточных фундаментов, балок, прогонов и ригелей рам; 1 – палуба; 2 – сшивная планка

Материал для опалубки. Влажность древесины для изготовления поддерживающих элементов (стойки и т. п.) должна быть не более 22 %, а для палубы – не более 18 %. Для изготовления поддерживающих элементов опалубки разрешается применять круглые лесоматериалы и пиломатериалы хвойных пород не ниже второго сорта, для изготовления палубы – пиломатериалы второго сорта хвойных и лиственных пород.

Щиты допускается

изготовлять из древесноволокнистых плит, бакелированной фанеры и фанеры марки ФСФ, защищенных водостойким покрытием.

Доски опалубки, непосредственно прилегающие к бетону, должны иметь гладкую поверхность и ширину до 150 мм, а доски горизонтально-скользящей опалубки – ширину не более 120 мм. Более широкие доски не применяются, так как они коробятся.

Сучки загнившие, гнилые, табачные, червоточина недопустимы, поскольку уменьшают прочность. Доски с гнилью, нарушающей прочность древесины, также не следует применять. Выпадающие сучки заделывают пробками на водостойком клее.

Скрепляют деревянные части опалубки гвоздями диаметром 2–6 мм и длиной 50—150 мм, стальными болтами, изготовленными из стали диаметром 12–19 мм, длиной 250–300 мм, а также проволокой диаметром 3–4 мм. Элементы опалубки изготовляют в специальных цехах, оснащенных необходимым оборудованием. Крупнопанельные и мелкие щиты собирают на верстаках из пиломатериалов, прирезанных на круглопильных станках или электропилами.

Крупнопанельные щиты собирают на верстаках (рис. 65), на которых расположены упоры для схваток и для досок палубы, а также гнезда для ребер и для схваток. На этом верстаке щиты собирают из заранее изготовленных досок и брусков. После сборки на поверхности щитов размечают и сверлят отверстия для болтов.

Рис. 65. Верстак для изготовления крупнопанельных щитов: 1 – упор для схваток; 2 – упор для досок палубы; 3 – гнезда для ребер; 4 – гнезда для схваток; 5 – упор для ребер и досок палубы; 6 – длина щита; 7 – расстояние между осями схваток.

Мелкие щиты собирают на верстаке (рис. 66) в шаблонах. Сплачивать щиты нужно прочно. Лицевая сторона щитов, примыкающая к бетону, должна быть обработана и не иметь заколов. Сшивные планки прибивают к доскам гвоздями, причем гвозди должны быть хорошо загнуты и утоплены в древесину. Хомуты для опалубки колонн, рамок под опалубку колонн собирают из заранее изготовленных деталей.

Рис. 66. Верстак для изготовления мелких щитов разборно-переставной опалубки: а – схема верстака; б – способ забивки гвоздей; в – съемное гнездо конструкции Н. П. Гахова; 1 – упорный брусок для торцов досок щита; 2 – стальная полоса для загибания гвоздей; 3 – упорная линейка (рейка) для сшивных планок; 4 – крышка; 5 – рейки; 6 – упорный брусок для досок щита; 7 – гвозди; 8 – доски щита; 9 – сшивная планка

Рис. 67. Поэтажные леса для поддержания опалубки: 1 – бетонируемое перекрытие; 2 – стойки; 3 – раскосы (расшивины); 4 – лаги под стойки; 5 – забетонированное перекрытие; 6 – подкладка для передачи нагрузки на стойки нижерасположенного этажа

Леса для поддержания опалубки. Для поддержания опалубки железобетонных перекрытий и других строительных конструкций применяют поэтажные леса высотой до 6 м и стоечные высотой более 6 м. Поэтажные леса (рис. 67) представляют собой конструкцию, собранную из стоек и раскосов. Стойки устанавливают на лаги, укладываемые на основание (забетонированное перекрытие). Для большей устойчивости стойки крепят раскосами. В разных этажах стойки располагаются на одной вертикальной оси. Это необходимо для того, чтобы нагрузки с верхнего этажа равномерно передавались на стойки нижнего этажа. Лаги под стойки должны быть расположены строго горизонтально.

Поделиться с друзьями: