Чтение онлайн

ЖАНРЫ

Радио и телевидение?.. Это очень просто!
Шрифт:

Условные обозначения

Н. — Не мог бы ты показать мне схему усилительного каскада на транзисторе? Прежде покажи условное графическое обозначение транзистора.

Л. — В связи с существованием двух типов транзисторов должно быть и два условных обозначения. База изображается вертикальной линией; эмиттер обозначается в виде стрелки, направленной к базе в транзисторе типа р-n-р и направленной от базы в транзисторе типа n-р-n (рис. 130).

Рис. 130. Условные

графические обозначения транзисторов.

Н. — Эта стрелка, если я правильно понимаю, показывает условное направление электрического тока, т. е. от положительного полюса к отрицательному.

Л. — Совершенно верно. Коллектор же обозначается прямой линией, подходящей, как и стрелка эмиттера, к базе. Принятое условное обозначение верно отражает историческую действительность. Самые первые транзисторы, сделанные в 1948 г., не имели настоящих переходов. Эмиттер и коллектор этих транзисторов представляли собой металлические острия, опиравшиеся на кристалл германия (базу).

Усилительный каскад

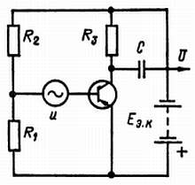
Л. — А вот общая схема усилительного каскада (рис. 131).

Рис. 131. Общая схема усилительного каскада на транзисторе.

В этой схеме переменное напряжение на входе обозначено буквой u. Усиленное напряжение, получаемое на выходе при прохождении коллекторного тока по нагрузочному резистору R3, обозначено буквой U. Его пропускают через конденсатор связи С.

Н. — А для чего служат резисторы R1 и R2, которые соединены последовательно и подключены к обоим полюсам батареи Еэ. к?

Л. — Эти два резистора образуют делитель напряжения. Следовательно, их общая точка обладает меньшим потенциалом, чем вся батарея. Таким образом, база транзистора, соединенная с этой общей точкой (через источник переменного напряжения), оказывается заряженной отрицательно по отношению к эмиттеру, который непосредственно соединен с положительным полюсом батареи.

Н. — Совсем не глупо! Так можно обойтись без батареи, служившей для подачи смещения на базу. А какое сопротивление должны иметь резисторы, образующие делитель напряжения?

Л. — Необходимо получить смещение, достаточное для того, чтобы рабочая точка на характеристике, показывающей изменение тока коллектора Iк в зависимости от потенциала базы Uэ. б, находилась в правой части и достаточно далеко от нижнего изгиба, чтобы изменения напряжения, приложенного между эмиттером и базой, не достигали этого участка кривой. Таким образом предотвращают возникновение искажений.

На практике смещение должно представлять собой небольшую часть напряжения батареи. Поэтому резистор R1 имеет сопротивление всего несколько ом, тогда как резистор R2 должен иметь сопротивление, в 30–50 раз большее.

Входное

и выходное сопротивления

Н. — Сходство между транзистором и лампой-триодом еще большее, нежели я думал. В лампе-триоде смещение на сетке осуществляется падением напряжения на резисторе. Здесь смещение на базе также получается благодаря падению напряжения на резисторе R1.

Л. — Мне надлежит предостеречь тебя от некоторого преувеличений в отношении их сходства. Между вакуумной лампой и транзистором есть и немало очень важных различий. Прежде всего вспомни о существовании тока, идущего от эмиттера к базе внутри транзистора и возвращающегося по внешней цепи к эмиттеру, как это происходит в транзисторах типа n-р-n, или идущего в обратном направлении в транзисторах типа р-n-р. В обоих случаях ток базы не превышает несколько сотен микроампер. Это означает, что…

Н. — …этим транзистор отличается от лампы-триода, в которой не должно быть сеточного тока. Смещение на сетку подается как раз для того, чтобы предотвратить полностью возникновение этого тока.

Л. — Пойми, Незнайкин, что для порождения тока базы приложенный на вход переменный ток должен израсходовать некоторую мощность. А она, как ты помнишь, есть произведение напряжения на ток.

Н. — Я думаю о другом аспекте этого явления. Раз напряжение, приложенное между базой и эмиттером, порождает ток, значит, с помощью закона Ома можно рассчитать сопротивление входа транзистора.

Л. — Действительно. И таким способом можно убедиться, что входное сопротивление составляет всего лишь несколько сотен ом. Ты видишь, насколько транзистор отличается от вакуумного триода и других усилительных ламп, где вход имеет бесконечно большое сопротивление, в связи с чем сеточный ток отсутствует.

Н. — А какое сопротивление имеет транзистор между эмиттером и коллектором?

Л. — Это сопротивление следует рассматривать как выходное. Оно составляет несколько килоом.

Н. — Я думаю, что сопротивление нагрузочного резистора, включенного в цепь коллектора, определяется с учетом выходного сопротивления транзистора.

Л. — Само собой разумеется. Его не следует делать слишком высоким, чтобы переменное напряжение, возникающее между его выводами, своими пиками не изменяло на обратную полярность потенциала, приложенного к коллектору.

Н. — Я начинаю спрашивать себя, Любознайкин, не сложнее ли использовать транзисторы, чем лампы?

Л. — Нет, успокойся. Об этом мы поговорим во время нашей следующей встречи. На сегодня, мне кажется, я уже достаточно насытил твой мозг. Поэтому давай прервем нашу беседу.

Комментарий профессора Радиоля

ТЕХНОЛОГИЯ ИЗГОТОВЛЕНИЯ ТРАНЗИСТОРОВ

Как делают транзисторы разных типов?.. Каким образом очищают полупроводники и придают им монокристаллическую структуру?.. Какие способы позволяют ввести в полупроводник примеси положительного и отрицательного типов?.. Как в заводских условиях производят обычные транзисторы, мезатранзисторы и планарные?.. Какие сложные дилеммы ставит форма базы в транзисторах для усиления ВЧ?.. Все эти вопросы рассматриваются здесь профессором Радиолем.

Поделиться с друзьями: