Чтение онлайн

ЖАНРЫ

Транзистор?.. Это очень просто!
Шрифт:

Н. — Вспомним, что входное сопротивление представляет собой отношение малых изменений напряжения базы к вызываемым ими малым изменениям тока базы. Здесь в связи с обратной связью прежние изменения напряжения на входе будут оказывать меньшее влияние на ток базы. Иначе говоря, для того же значения Uб мы получим меньшую величину Iб. Следовательно, их отношение, являющееся

входным сопротивлением, повысится.

Л. — Ты хорошо рассудил, Незнайкин. Я не хотел бы полностью разряжать твои умственные аккумуляторы и потому сразу скажу, что если бы ты таким же образом проанализировал поведение выходного сопротивления, то увидел бы, что от обратной связи оно также увеличивается. Что же касается параллельной обратной связи, то она вызывает снижение как входного, так и выходного сопротивления.

Н. — Меня все больше и больше приводит в смущение сходство транзистора со знакомой с детства кухонной батареей из связанных кастрюль. Стоит прикоснуться к чему-нибудь, как все приходит в движение. Действительно, стоит ли применять обратную связь, чтобы еще больше запутывать дело?

Л. — Уж не думаешь ли ты, Незнайкин, что ее применяют лишь для того, чтобы отравить тебе жизнь? Обратная связь снижает искажения, которые у транзисторов столь же опасны, как и у электронных ламп, и дает те же преимущества относительно фазовых искажений, так как у транзисторов, используемых для усиления на низких частотах, емкости между эмиттером, базой и коллектором имеют относительно большую величину, отчего страдает фаза усиливаемых сигналов. Кроме того, когда начинает падать напряжение батарей, обратная связь благодаря своему регулирующему эффекту еще в течение некоторого времени поддерживает работоспособность транзисторной аппаратуры.

Еще одна обратная связь

Н. — Такое поведение обратной связи, очевидно, очень ценно, так как служит прекрасным средством экономии.

Л. — Я вижу, что возможность снижения денежных расходов помирила тебя с обратной связью. Заметь попутно, что даже если ты и не захочешь ею пользоваться, ты все равно обязан смириться с ее невидимым присутствием.

Н. — Что это за таинственность?

Л. — Транзистору присуща внутренняя обратная связь, которая почти полностью отсутствует у ламп. Своим существованием она обязана сопротивлению коллекторного перехода, которое составляет несколько сотен килоом и оказывается включенным непосредственно между коллектором и базой.

Н. — Как проявляет себя эта внутренняя обратная связь?

Л. — Так же как только что рассмотренная параллельная обратная связь в схеме на рис. 61,б. Ее даже можно измерить; для этого нужно изменять напряжение коллектора и измерять возникающие изменения напряжения базы. Практически изменение напряжения uб в несколько тысяч раз меньше вызывающего его изменения напряжения uк. Иначе говоря, коэффициент внутренней обратной связи имеет в среднем величину 0,05 %. Его обозначают

греческой буквой (ми) или чаще символом h12.

Н. — Я благодарен тебе за то, что ты оставил мне возможность дать определение коэффициента внутренней обратной связи: = uб/uк. Но так как величина очень мала, то влиянием внутренней обратной связи, наверно, можно пренебречь.

Л. — Да, при условии, что сопротивление нагрузки мало по сравнению с выходным сопротивлением, что на практике часто и бывает.

Вопрос о фазе

Н. — Ты, очевидно, догадываешься, Любознайкин, что я горю желанием перейти к изучению практических схем. Я обещал своему дяде Жюлю собрать усовершенствованный транзисторный приемник, который он мог бы взять с собой в Африку, где он хочет полечить свой ревматизм. Я намереваюсь сделать двухкаскадный усилитель низкой частоты. Могу ли я сделать общую обратную связь на оба каскада, подав напряжение с выхода на вход?

Л. — Да, однако в транзисторных схемах не следует делать обратную связь больше чем на два каскада, так как из-за внутренних емкостей, о которых я тебе только что говорил, в каждом каскаде происходит дополнительный сдвиг фазы. И если сделать обратную связь больше чем на два каскада, то дополнительный сдвиг может оказаться настолько большим, что заранее не узнаешь, какую фазу в результате получишь.

Н. — Иначе говоря, появится риск получить вместо отрицательной обратной связи положительную.

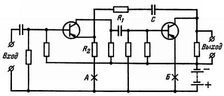
Л. — И в этом нет ничего удивительного… Но вот схема, которая должна тебе понравиться (рис. 62). В ней как раз два низкочастотных каскада с резистивно-емкостной связью. С выхода через конденсатор С мы снимаем с помощью резисторов R1 и R2 часть напряжения, чтобы подать его на эмиттер первого транзистора.

Рис. 62. Смешанная (последовательно-параллельная) схема обратной связи, охватывающей два каскада усилителя низкой частоты.

Н. — Ну и что дальше? Почему не на базу, как мы делали это в схеме с одним каскадом?

Л. — Потому что каждый каскад переворачивает фазу. Поэтому после двух каскадов сигнал должен совпадать по фазе с напряжением, приложенным ко входу. Значит, не может быть и речи о подаче выходного напряжения на базу (вместо отрицательной обратной связи мы получили бы ужасное самовозбуждение). Подавая же напряжение с выхода на эмиттер, мы создадим благоприятную отрицательную обратную связь. А кроме того, резистор R2 сам создаст в первом каскаде эффект последовательной обратной связи.

Поделиться с друзьями: