Чтение онлайн

ЖАНРЫ

Шрифт:

В танке устанавливались три 7,62-мм пулемета ДТ, из них два в башне и один курсовой — в корпусе. Один из пулеметов, размещенных в башне, был спарен с пушкой, другой смонтирован в шаровой установке в кормовом листе. Курсовой пулемет жестко закреплялся параллельно оси танка в вваренном в корпус патрубке.

Для ведения стрельбы прямой наводкой из пушки Д-5Т и спаренного с ней пулемета применялись телескопический прицел ЮТ-15 и перископический прицел ПТ4-15. Для стрельбы по закрытым целям пушка оборудовалась боковым уровнем. На кормовом пулемете предусматривалась установка снайперского оптического прицела типа ПУ.

Боекомплект ИС-1 состоял из 59 выстрелов (унитарные патроны 53-УО-365 с осколочной гранатой и 53-УБР-365 с бронебойно-трассирующим снарядом) и 2520 патронов к пулеметам. Выстрелы укладывались в башне, в корпусе сзади передних топливных баков, в подбашенной коробке и в ящиках на днище боевого отделения.

ИС-2

поздних выпусков 1944 года с измененной носовой частью корпуса, расширенной амбразурой пушки и запасными траками на нижнем лобовом листе корпуса.

ИС-2 ранних выпусков 1944 года с «ломаным носом» и узкой амбразурой 122-мм пушки. Эта машина, модернизированная до уровня ИС-2М, находится в Музее Великой Отечественной войны в Минске.

ИС-2 ранних выпусков с дульным тормозом немецкого типа на Рижском шоссе. Лето 1944 года.

На танке ИС-2 устанавливалась 122-мм пушка Д-25Т с длиной ствола 48 калибров (с дульным тормозом). Масса пушки 2420 кг. Предельная длина отката 570 мм, вертикальная наводка от —3° до +20°. Затвор клиновой, с полу автоматикой механического типа. Пушки первых выпусков имели поршневой затвор, заимствованный у 122-мм корпусной пушки А-19. Противооткатные устройства пушки Д-25Т такого же типа, как и у Д-5Т, были лишь несколько удлинены с целью уменьшения разогрева жидкости при стрельбе. Выстрел производился с помощью электроспуска или, в случае его неисправности, ручным механическим спуском.

Помимо трех пулеметов ДТ, расположенных как на ИС-1, на части танков ИС-2 на кронштейне, закрепленном на подвижном погоне командирской башенки, размещался 12,7-мм пулемет ДШК обр. 1938 года.

Танк ИС-2 оснащался телескопическим прицелом 10Т-17 или ТШ-17 и перископическим прицелом ПТ4-17. С весны 1944 года вместо прицела ПТ4-17 устанавливался прибор наблюдения MK-IV.

Боекомплект пушки Д-25Т состоял из 28 артвыстрелов раздельного заряжания 53-ВОФ-471 с осколочно-фугасными снарядами и 53-ВБР-471 с бронебойно-трассирующими. Боекомплект пулеметов ДТ — 2331 патрон, пулемета ДШК — 250 патронов. Все снаряды находились в кормовой нише башни в четырех укладках, а снарядные гильзы — в башне, на бортах и днище боевого отделения и в подбашенной коробке.

Моторное отделение находилось за боевым и отделялось от него перегородкой. В середине его на кронштейнах устанавливался двигатель. По обе стороны от него, по бортам, находились: справа — топливный, слева — масляный баки; над ними — масляные радиаторы, а в передней части моторного отделения, по бортам, — воздухоочистители «мультициклон».

На танке ИС устанавливался 12-цилиндровый четырехтактный дизель В-2ИС (В-2-10) мощностью 520 л.с. при 2000 об/ мин. Цилиндры располагались V-образно под углом 60°. Степень сжатия 14–15. Масса двигателя 1000 кг. Общая емкость трех топливных баков 520 л. Еще 300 л перевозилось в трех наружных баках, не подключенных к системе питания. Пуск двигателя осуществлялся инерционным стартером, имевшим ручной и электрический привод, или с помощью баллонов со сжатым воздухом.

Трансмиссионное отделение располагалось в кормовой части танка. В нем размещались главный фрикцион, центробежный вентилятор, коробка передач, планетарные механизмы поворота и бортовые передачи. В перегородке между моторным и трансмиссионным отделениями, над вентилятором, устанавливались водяные радиаторы.

Ходовая часть танка применительно к одному борту состояла из шести сдвоенных литых опорных катков диаметром 550 мм и трех поддерживающих катков. Ведущие колеса заднего расположения имели два съемных зубчатых венца с 14 зубьями каждый. Направляющие колеса — литые, с кривошипным механизмом натяжения гусениц, взаимозаменяемые с опорными катками. Подвеска — индивидуальная торсионная. Гусеницы стальные, мелкозвенчатые, из 86 одногребневых траков каждая. Траки штампованные, шириной 650 мм и шагом 162 мм. Зацепление цевочное.

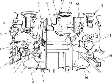
Внутренний вид башни танка (передняя сторона):

1 — подъемный механизм пушки; 2 — сиденье наводчика; 3 — укладка пулеметных магазинов; 4 — ручной привод механизма поворота башни; 5 — щиток башни; 6 — перископический прицел ПТ4-17, 7 — телескопический прицел 10Т-17; 8 — казенная часть пушки; 9 — поршневой затвор; 10 — кронштейн походного крепления пушки, 11 — вентилятор боевого отделения; 12 — 122-мм снаряды; 13 — прибор наблюдения МК-4; 14 — механизм поворота башни, 15 — курсовой пулемет ДТ; 16 — сиденье заряжающего.

Все танки ИС оснащались приемопередающей симплексной телефонно-телеграфной радиостанцией 10Р или 10РК и внутренним переговорным устройством ТПУ-4-бисФ на четыре абонента.

Следует подчеркнуть, что вопрос вооружения танка ИС-2 после

установки 122-мм пушки не был закрыт полностью. Военных не устраивали ни низкая скорострельность, ни малый боекомплект — 28 выстрелов раздельного заряжания — нового тяжелого танка. Для сравнения: боекомплект ИС-1 состоял из 59 выстрелов, а КВ-1с — из 114. Кроме того, уже после первых столкновений ИС-2 с тяжелыми танками противника выяснилось, что штатный 122-мм остроголовый бронебойный снаряд БР-471 способен пробить лобовую броню «Пантеры» лишь с дистанции 600–700 м. Более слабая лобовая броня «Тигра» поражалась с расстояния 1200 м, но попасть с такой дистанции в немецкий танк могли только хорошо подготовленные опытные наводчики. При обстреле немецких танков мощными осколочно-фугасными гранатами ОФ-471 у ИС-2 имело место растрескивание сварных швов и даже отрыв лобового листа по сварке. Первые результаты боевого их использования, подтвердившиеся, кстати сказать, и стрельбовыми испытаниями танка на полигоне в Кубинке в январе 1944 года, заставили конструкторов искать новые решения, что привело к созданию целой серии опытных образцов тяжелых танков с пушками большой мощности. Впрочем, с осени 1944 года вопрос об увеличении бронепробиваемости снарядов отпал сам собой. Пушка Д-25Т внезапно начала прекрасно поражать немецкие танки. В донесениях из частей встречались описания случаев, когда 122-мм снаряд БР-471, пущенный с дистанции более 2500 м, рикошетируя от лобовой брони «Пантеры», оставлял в ней громадные проломы. Это объяснялось тем, что с лета 1944 года немцы, ввиду острого недостатка марганца, начали использовать высокоуглеродистую броню, легированную никелем и отличавшуюся повышенной хрупкостью, особенно в местах сварных швов.

ИС-2 на подступах к Риге. Сентябрь 1944 года.

В строю — гвардейский тяжелый танковый полк.

Танки ИС-2 поддерживают атакующую пехоту. Прибалтика, август 1944 года.

Первые боевые столкновения с танками противника выявили и недостаточное бронирование лобовой части корпуса. В начале 1944 года бронестойкость корпуса пытались повысить, закаливая его на очень высокую твердость, но на практике это привело к резкому увеличению хрупкости корпусных деталей. При обстреле на полигоне танка И С выпуска марта 1944 года из 76-мм пушки ЗИС-З с дистанции 500–600 м его броня проламывалась со всех сторон, причем основная часть бронебойных снарядов за броню не проникала, но вызывала образование больших масс вторичных осколков. Этим фактом во многом объясняются значительные потери танков ИС-85 и ИС-122 в боях зимы — весны 1944 года.

В феврале 1944 года ЦНИИ-48 получил задание на проведение НИР по теме «Исследование бронестойкости корпуса тяжелого танка И С». Проведенная работа показала, что при существующей форме лобовой части корпуса он будет гарантирован от пробития немецкими 75- и 88-мм снарядами лишь в случае применения брони толщиной не менее 145–150 мм (то есть на 20–30 мм больше штатной). По рекомендации ЦНИИ-48 были изменены режимы закалки, а также конструкция лобовой части корпуса. Новый корпус с так называемым спрямленным носом сохранил прежнюю толщину брони. Из лобового листа изъяли люк-пробку механика-водителя, существенно снижавшую его прочность. Сам лист расположили под углом 60° к вертикали, что обеспечило при курсовых углах обстрела ±30° непробитие его из 88-мм немецкой танковой пушки KwK.36 даже при стрельбе в упор. Уязвимым местом оставался нижний лобовой лист, имевший угол наклона 30° к вертикали. Для придания ему большего угла наклона требовалось существенное изменение конструкции отделения управления. Однако учитывая, что вероятность попадания в нижний лобовой лист меньше, чем в другие части корпуса, его решили не трогать.

Танки ИС-2 27-го отдельного гвардейского тяжелого танкового полка на улице Выборга. Июнь 1944 года.

Вперед, на Запад! Танки ИС-2 на марше. Белоруссия, лето 1944 года.

Танки ИС-2 вступают в Познань. 1-й Белорусский фронт, февраль 1945 года.

С целью усиления бронезащиты нижнего лобового листа с 15 июля 1944 года на нем между буксирными крюками начали размещать укладку запасных траков. Уралмашзавод перешел на выпуск бронекорпусов со спрямленным сварным носом в мае 1944 года, а завод № 200 начал выпускать такие же корпуса, но с литым носом с июня 1944 года. Впрочем, некоторое время танки со старыми и новыми корпусами выпускались параллельно, до полного израсходования задела.

Поделиться с друзьями: