Чтение онлайн

ЖАНРЫ

Юный техник, 2001 № 03
Шрифт:

Для безопасности транзисторов обмотка реле шунтируется обратно включенным диодом VD3. Если этого не сделать, при обрыве тока возникнут перенапряжения, способные пробить запертые p-n переходы. Используя сравнительно легкое реле типа РЭС-6, можно управлять лампой мощностью до 60 Вт. С реле указанного типа источник питания должен давать ток до 150 мА.

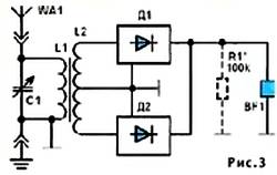
Незначительно усложнив наше устройство, можем сделать автомат «мудрее», чтобы он реагировал и на такую промашку человека, как оставление двери незакрытой. Такую функцию выполнит второе реле времени, отличающееся

от первого лишь номиналами зарядной цепи R7, С4 (рис. 3), что дает срабатывание через 10…30 минут — эта длительность задается выбором емкости С4.

Входящие в реле логические ячейки DD2.1, DD 2.2 принадлежат второй микросхеме DD2. Если две остальные ячейки этой микросхемы не используются, их входы 8, 9, 12, 13 следует заземлить на общий провод схемы.

В конструкции нашего устройства можно использовать резисторы МЛТ-0,125..0,5, конденсаторы КЛС (МБМ) и К50-6 либо другие оксидные. Упомянутое электромагнитное реле РЭС-6 берется с паспортом РФ0.452.107. Заменяя его на реле другого типа, помните, что оно обязано работать при напряжении на контактах не менее 220 В переменного тока. Питать устройство лучше, конечно, от подходящего сетевого адаптера с 10-вольтовым выходом, но сойдет и девятивольтовый. В автономном, батарейном источнике следует включить последовательно семь гальванических элементов типа LR20 либо пять банок кислотного аккумулятора. 12-вольтовые лампы будут гореть с некоторым недокалом, зато увеличится ресурс их работы.

Ю.ПРОКОПЦЕВ

ЧИТАТЕЛЬСКИЙ КЛУБ

Вопрос — ответ

«Когда вечером подлетаешь на самолете к Москве, уже издали можно наблюдать электрическую ауру, окружающую город. Но ведь так было не всегда. Расскажите историю создания первых фонарей Москвы».

Сергей Залетов, 12 лет,

Караганда

Идея освещения ночного города пришла из Парижа. В 1558 году указом французского парламента велено было зажигать с 10 часов до 4 утра горшки со смолой на углу каждой улицы. А в ноябре 1730 года был принят указ российского сената: «На Москве, в Кремле, в Китае и в Немецкой слободе для зимних ночей поставить на столбах фонари стеклянные, один от другого на 10 сажен…»

С той поры светильники — жестяные лампы с конопляным маслом — стали освещать московские улочки.

В 1863 году московская городская управа заключила договор с частными подрядчиками на устройство керосинового освещения. И уже через несколько лет в городе зажглось более 6 тысяч керосиновых фонарей, заменивших «конопляники». Затем в Москве стали использовать светильный газ. Но надо отметить, что керосиновые фонари оказалось не так просто вытеснить. Москвичи были большие ретрограды и не доверяли нововведению. Но и парижане были не лучше: литератор Шарль Нодье писал: «Деревья мрут, живопись на кофейнях чернеет, люди удушаются. Кто виноват? Газ…»

Многолетняя схватка кончилась вничью. Победа досталась электричеству. На смену фонарщикам пришли электромонтеры. Впервые электрический свет использовали в дни коронационных торжеств в 1856 году. Изобретатель Шпаковский зажег тогда на башнях Кремля 10 дуговых ламп.

Сегодня на московских улицах каждый вечер зажигаются свыше полумиллиона фонарей. Вносят свою скромную лепту в освещение города и два старинных фонаря, стоящих у входа в здание XVII века — палаты Милославских в Армянском переулке, где рядом разместился небольшой музей «Огни Москвы».

«Никогда

не могу ровно разрезать торт или арбуз. Все куски получаются разными. А отмерять по линейке перед гостями не станешь. Вот был бы такой прибор, с помощью которого можно было бы справиться с этой трудной задачей».

Светлана Скоробогатова, 11 лет,

Санкт-Петербург

Давно известно, что для точного разрезания тортов требуется немалый опыт и верный глаз. Оптическая сетка, нанесенная на стекла очков, позволяет даже начинающему кондитеру точно разрезать свои изделия. К чудо-очкам прилагаются сменные стекла квадратной формы для деления квадратных тортов.

ДАВНЫМ-ДАВНО

Анри Жиффар первым совершил полет на управляемом аэростате с паровым двигателем. Но об этом знают сегодня лишь историки.

А еще был Жиффар очень удачлив в изобретательстве. Его работы надолго пережили время, а некоторые мы используем и по сей день.

Вот лишь две из них, связанные с паровозом. Не думайте, что те полностью исчезли.

Небогатая нефтью Аргентина все еще ими пользуется. А стратегический запас паровозов СССР мог бы и сегодня нас очень выручать, да из-за нищеты продали все на металлолом. В чем же суть предложений Жиффара?

Когда паровоз поднимается в гору, его машина выбрасывает в атмосферу пар под большим давлением. Жиффар додумался струю его направлять в дымоход. Она захватывала и усиливала поток воздуха, раздувая огонь в топке. Котел давал больше пара как раз тогда, когда в нем была острая необходимость.

А как подать свежую воду в работающий паровой котел? Разумеется, насосом под давлением. Но насос штука сложная. Жиффар заменил его инжектором. В сущности, это пульверизатор вроде того, чем распыляют побелку. Работает он на отработанном паре. Тот засасывает воду, смешивается с ней, конденсируется, а затем на большой скорости «направляется» в котел.

Современников изобретателя очень удивляло, что для работы инжектора давление могло быть в сотни раз меньше, чем в самом котле. Но дело здесь в малом объеме поступающей в котел воды.

Сегодня инжекторы применяются на электростанциях. Они способны перекачивать загрязненную жидкость, даже воду с камнями. Могут создавать глубокий вакуум в электронных приборах и подавать топливо в двигатели ракет.

За последние десятилетия удалось увеличить КПД инжекторов в несколько раз. Их использование позволяет создать новый класс двигателей, сулящий переворот в технике. Но это особая тема…

ПРИЗ НОМЕРА!

Наши традиционные три вопроса:

1. А что будет, если земная ось станет перпендикулярно к плоскости эклиптики?

2. В чем недостаток газовой линзы на основе этана и воздуха?

3. Почему дирижабль снабжали тихоходными винтами большого диаметра?

Правильные ответы на вопросы

«ЮТ» № 10 — 2000 г.

1. При малых размерах летательных аппаратов начинают преобладать силы вязкости воздуха. Полет микролета совершается как бы за счет опоры на воздух.

Поделиться с друзьями: