Чтение онлайн

ЖАНРЫ

Дача. Что и как можно вырастить?
Шрифт:

Можно поливать растения вручную при помощи созданной сети водопроводов с мелкими отверстиями, откуда выливается в виде струек вода, а также с помощью специальных разбрызгивающих дождевальных насадок, которые разбивают струю на мелкие капли и разбрызгивают их в радиусе 5 м.

Поливать деревья на садовом участке можно в круглые канавки вокруг приствольного круга. Когда вода впитается, такие канавки засыпают сухой землей с междурядий сада или компостом, соломой, мульчируют торфом и т. д.

Для полива деревьев можно применить и другой способ. В околоствольных кругах на каждый квадратный метр площади сверлят скважину диаметром 10–12 см, на глубину 40–60 см. Скважины заполняют битым кирпичом или щебнем и производят полив в них водой вместе

с жидкими удобрениями. Вода и минеральные удобрения быстро попадают в корневую систему, а за ней—ивостальные части растения и дерева.

Полив по бороздамцелесообразен при их небольшом уклоне (не более 0,02). Первая поливочная полоса нарезается на расстоянии 1–1,5 м от штамбов деревьев, остальные – на расстоянии 70–90 см одна от одной. Можно нарезать до 8 борозд в междурядьях.

Зная водопроницаемость почвы и уклоны, можно рассчитать длину поливочных борозд для каждого участка. Поливная струя должна быть тем меньше, чем хуже водопроницаемость и больше уклон борозд.

Дождевание. При таком способе земля пропитывается более равномерно и уменьшаются затраты ручного труда. Дождевание совсем нетрудно осуществлять на участке с неровным рельефом.

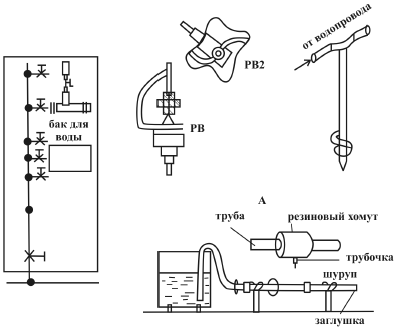
Для дождевания можно использовать как переносные дождевальные установки, так и стационарные. Для работы таких установок на участке должна быть передвижная сеть трубопроводов с гидрантами. Воду в сеть для дождевания накачивают из естественного источника или же из водопровода электрическим насосом или тракторной установкой. Для устройства дождя садоводы-любители изготовляют и применяют насадки, распыливающие воду, как душ. Полив дождеванием осуществляется с помощью дождевальных насадок. Разбрызгивающее устройство закрепляется на треноге высотой 1–5 м и с помощью шланга подключается к водопроводу или к естественному источнику воды. При подаче воды насадки включаются в работу. Затем такую насадку после достаточного увлажнения почвы в данном месте переносят на другое место и т. д. В настоящее время промышленность выпускает различные виды насадок – металлические и пластмассовые.

На рис. 7 показаны схемы разбрызгивателя воды типа РВ-1 и распылителя воды РВ. Для почвенного полива деревьев используют различные виды гидробуров. Но наиболее экономичен капельный полив. Дождевальный полив как наиболее красивый можно применять для полива лужаек и цветников.

Автоматический полив – наиболее удобный способ, позволяющий осуществлять полив по всей площади и в удобное для вас и растений время. Автоматический полив – это сложный инженерно-технический комплекс, обеспечивающий полив нужной территории по заданному графику. При помощи компьютера можно регулировать время полива, интенсивность и периодичность. Это значительно сэкономит время.

Рис. 7.Разбрызгиватели воды

В современных поливочных машинах происходит отключение полива при осадках, а система поливочных головок разработана таким образом, что при отключении полива они автоматически опускаются под землю и не мешают стрижке газона. Подземное расположение поливочной системы увеличивает срок службы форсунок, труб и фитингов по сравнению с надземным расположением разбрызгивателей, так как на них в меньшей степени воздействуют природные факторы. Встроенные водяные розетки

позволят использовать поливочные шланги для полива, мойки автомобиля и других целей. Оросительная система даже в экстремальных погодных условиях будет вам служить долго; выдержит самые тяжелые испытания, будь то игра в гольф, футбол, теннис. Срок службы системы полива составляет 15–20 и более лет. Для этого необходимо грамотное обслуживание системы и подготовка к зиме (прокачка труб сжатым воздухом – ее нужно провести

до сильных морозов). Автоматические системы полива могут быть объединены в разные группы и по-разному запрограммированы в зависимости от того, какие растения поливаются, для каких почв нужен полив, в какой день и час их нужно поливать. Благодаря тому что система полностью автоматизирована, владелец имеет возможность сэкономить массу времени и средств.

Полуавтоматический полив. Полуавтоматические системы полива отличаются от автоматических только тем, что человек сам открывает и закрывает краны. Отсутствие автомата не снижает качества полива, но значительно удешевляют стоимость системы. Расположение поливочных головок не зависит от наличия или отсутствия автомата.

Системы с ручным управлениемимеют неполную разводку (подземную или наземную) – в определенных местах участка установлены разъемы для подключения шлангов. Для работы необходимо подключать шланги к этим разъемам, и поливать различные зоны участка с помощью ручных разбрызгивателей или переносных форсунок.

Включение и выключение таких систем полностью ручное.

Потребность растений в воде определяется в зависимости от их состояния и внешних условий.

Большинство цветочных культур растет при влажности почвы от 60 до 80 %. Чем меньше площадь питания, тем больше потребность растения в воде.

Как и недостаточное количество воды, так и ее переизбыток губительны для растений. При очень сильном поливе корневая система из-за недостатка кислорода слабеет, растение заболевает, а затем и погибает.

По потребности в воде растения делятся на четыре группы:

1) растения, которым необходимо очень большое количество воды – гидрофиты;

2) гигрофиты – растения тоже влаголюбивые, но растущие в условиях повышенной влажности;

3) мезофиты (средняя потребность во влаге);

4) ксерофиты – в основном обитатели пустынь, полупустынь, степей и растения, растущие на сухих почвах. Они потребляют очень мало влаги.

Но так устроена наша природа, что нет четкой границы между всеми этими видами. Поэтому полив как источник питания и жизни необходим всем растениям. На зимний период надо провести консервацию систем полива, осушение сети трубопроводов, подготовку к хранению систем управления поливом. Первый раз демонтаж систем полива надо провести под контролем специалиста.

Полив сада и огорода

Полив почвы – это увлажнение почвы с учетом ее физико-химических свойств. Чем ровнее увлажнение почвы, тем стабильнее урожай. К поливу каждого участка надо подходить сугубо индивидуально с учетом многих факторов. Среди них – класс растений, сорт, условия произрастания, густота посадки, урожайность, запасы влаги в почве. Правильно количество полива можно определить путем многократного наблюдения за влажностью верхнего активного слоя почвы, в котором размещена наибольшая часть корней плодовых и овощных культур. Для плодоносящей яблони такой активный слой находится на глубине 1 м, для вишни и сливы – 60–80 см, смородины и крыжовника – до 50–60 см, малины и земляники – до 40 см. Корни плодовых растений разрастаются в стороны чуть шире, чем их кроны, а ягодных кустарников – ширины куста.

При резких изменениях влажности почвы, особенно при снижении ее до нулевого уровня, плодовые деревья плохо растут, дают нерегулярные урожаи, теряют зимостойкость и долговечность.

При сокращении влажности почвы ниже чем на 70 % предельной полевой влагоемкости следует производить полив.

Предельная полевая влагоемкость – это самое большое содержание влаги в почве, которое удерживается в ней после полного затопления водой и свободного просачивания влаги в нижние слои.

Почему-то на поливку плодовых деревьев наши садоводы почти не обращают внимания, хотя это одно из условий хорошего роста и обильного плодоношения деревьев. И как следствие – более высокой выживаемости и сопротивляемости различным паразитам.

Поделиться с друзьями: