Чтение онлайн

ЖАНРЫ

Электроника?.. Нет ничего проще!
Шрифт:

Н. — Хорошо, теперь я действительно вижу, что когда один из транзисторов твоей схемы пропускает ток, он запирает другой и, наоборот, запертый транзистор приводит другой в состояние насыщения. Но как узнать, какой из транзисторов будет заперт и какой будет находиться в состоянии насыщения?

Л. — А на этот вопрос, дорогой Незнайкин, я не могу ответить с желаемой тобой определенностью. Возможно, что запертым будет транзистор Т1, а Т2 будет в состоянии насыщения, но одинаково возможен и случай, что в состоянии насыщения окажется Т1 а Т2 будет заперт.

Н. Значит, твоя схема сама не знает, чего она хочет!

Л. — Не вдаваясь в вопросы психологического анализа, я просто скажу тебе, что рассматриваемая схема имеет два устойчивых состояния или, как говорят,

она бистабильна. Тебе уж доводилось встречаться с такими схемами и, в частности, с триггером Шмитта (см. рис. 61), у которого напряжение базы транзистора Т1 находилось между двумя порогами.

Н. — Так, значит, эта схема может некоторое время провести с запертым Т1 и насыщенным Т2 и наоборот.

Л. — Согласен с тобой, но с одной оговоркой — я не стал бы говорить «некоторое время». Оказавшись в каком-то определенном положении, схема (рис. 82) может бесконечно долго оставаться в этом положении, пока мы не изменим ее состояния.

Запуск триггера с двумя устойчивыми состояниями

Н. — Но как ты «изменишь состояние» схемы?

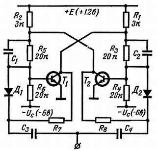
Л. — Здесь на сцену выступают диоды Д1 и Д2. Предположим, что схема находится в таком состоянии, когда транзистор Т1 заперт, а Т2 насыщен. Как мы видим, в этих условиях на катоды диодов через резисторы R7 и R8 поданы следующие потенциалы: у диода Д1 почти + 12 в, а у диода Д2 почти нуль. Подадим в точку А отрицательный импульс; через конденсаторы С3 и С4 этот импульс одновременно будет приложен к катодам обоих диодов. Но так как катод диода Д1 имеет потенциал +12 в, а его анод — отрицательный потенциал (транзистор Тзаперт), потребовался бы импульс больше 12 в, чтобы сделать диод проводящим. А у диода Д2 потенциал катода равен (или почти равен) нулю, а потенциал его анода также близок к нулю или имеет очень небольшую положительную величину (мы говорили о 0,2 или 0,3 в). Поэтому импульс будет передан только диодом Д2. Отрицательный импульс, попадая на базу транзистора Т2, запрет его. Соответствующее повышение напряжения на его коллекторе передается на базу транзистора Т1 через делитель из резисторов R5 — R6 и особенно через конденсатор С1, хорошо передающий крутые фронты, и отопрет транзистор Т1. Таким образом, завершится переход системы из одного состояния в другое.

Н. — Хорошо, до сих пор все понятно. Но следующий импульс произведет такой же эффект. А для возвращения схемы в первоначальное состояние ему нужно было бы сделать как раз обратное.

Л. — Как мне кажется, дорогой Незнайкин, ты забыл, что транзистор Т1 стал проводить ток, а транзистор Т2 в это время I заперся, следовательно, после опрокидывания схемы резистор R7 постепенно сделает потенциал анода диода Д1 близким к нулю; а в это время резистор R8 постепенно повысит потенциал катода диода Д2 до значения, близкого к +12 в. Если прежде чем посылать следующий импульс, ты немного подождешь, то увидишь, что картина с напряжениями смещения на катодах диодов стала обратной по сравнению с состоянием, предшествовавшим первому импульсу. Следовательно, второй импульс произведет обратное действие и вернет схему в ее первоначальное состояние.

Н. — Дьявольски хитрая система. По сути дела диоды Д1 и Д2 играют роль железнодорожной стрелки, направляющей импульс на тот транзистор, который как раз в нем нуждается для отпирания.

Л. — Ты совершенно прав, сравнивая это устройство с железнодорожной стрелкой, по хочу, чтобы ты обратил особое внимание на роль, которую в этой стрелке играют резисторы R7 и R8, а также конденсаторы С3 и С4. После опрокидывания схемы изменение потенциалов катодов диодов Д1 и Д2 происходит постепенно. В самом деле для заряда конденсатора С3 через резистор R7 и конденсатора

С4 через резистор R8 требуется некоторое время. Иначе говоря, работой нашего направляющего разделителя управляет предыдущее положение триггера. Запаздывание в цепочках R7 — С8 и R8 — С4 играет исключительно важную роль; если вернуться к твоему сравнению с железной дорогой, задержка не позволяет перевести стрелку во время прохождения поезда.

Н. — Однако ничего подобного нет в схеме на рис. 81, где диоды играют роль аналогичного направляющего разделителя…

Диоды, которые не выполняют роли направляющего разделителя

Л. — Совсем не так, Незнайкин; ты совершаешь очень распространенную ошибку, но мне не хотелось бы, чтобы ты уподобился всем… В схеме на рис. 81 диоды Д1 и Д2 не предназначены для выполнения роли направляющего разделителя. Перед ними поставлена только одна цель — пропустить на один из коллекторов отрицательный импульс, который должен вызвать опрокидывание схемы, после чего диоды как бы отключают этот коллектор от источника импульсов. При необходимости в схеме на рис. 61 можно было бы обойтись без диодов и посылать импульсы из точки А просто через два небольших конденсатора С3 и С4 (рис. 83)…

Рис. 83. Для деления частоты на четное число мультивибратор делают по возможности максимально симметричным и синхронизируют импульсом, подаваемым через два конденсатора, включенных в цепи коллекторов транзисторов.

Н. — О, нет! В этом случае ты не сможешь посылать импульсы только на коллектор запертого транзистора, они одновременно пошли бы и на другой.

Л. — Но что может сделать отрицательный импульс, попавший на коллектор насыщенного транзистора, Незнайкин? Эффект будет примерно такой, как если поставить горчичники на деревянную ногу. Получивший такой импульс коллектор передаст его на базу запертого транзистора, но ведь это не сможет запереть еще больше. Только запертый транзистор чувствителен к поступающему на его коллектор отрицательному импульсу: он через конденсатор связи передаст его на базу транзистора, находящегося в состоянии насыщения, и тем самым начнет опрокидывание схемы.

Н. — Но тогда почему ты поставил в схему конденсатор С3, резистор R5 и два весьма дорогих диода Д1 и Д2. Ведь можно было бы вполне обойтись двумя конденсаторами.

Л. — Для начала разберемся с ценой. Должен тебе сказать, что хороший диод стоит не дороже конденсатора. Затем я поставил здесь диоды, чтобы мультивибратор лучше работал. Наличие двух конденсаторов, соединяющих точку А с коллекторами транзисторов для подачи отрицательных импульсов, может нарушить нормальную работу мультивибратора. При использовании же двух диодов, установленных, как показано в схеме на рис. 81, все обстоит иначе: проводящий первым диод передает импульс на коллектор соответствующего транзистора, а после опрокидывания схемы диод запирается. Все происходит так, как если бы в этот момент его отключили от источника импульсов.

Н. — Так, значит, диоды просто выполняют роль прерывателя. Тогда их можно было бы заменить двумя маленькими переключателями и перебрасывать их после прохождения импульса.

Л. — В принципе, да. Но если ты сумеешь переводить свои переключатели с точностью до четверти микросекунды и в случае надобности проделывать эту операцию 20 000 раз в 1 сек, я настоятельно советую тебе бросить свою работу и поступить в цирк.

Н. — Понятно! Но еще одна вещь не дает мне покоя; разве в схеме на рис. 82 твои направляющие диоды Д1 и Д2 не играют той же роли отключателя источника импульсов от триггера?

Л. — Ты совершенно прав, эти диоды одновременно направляют импульсы по нужному адресу и отключают источник импульсов от триггера. А в схемах на рис. 78 и 81 диоды только отключают источник импульсов от сработавшей схемы. Для большей наглядности я приведу аналогичный пример из механики. Представь себе, что с трамплина один за другим прыгают в воду пловцы, а тренер «синхронизирует», подталкивая их сзади, чтобы заставить прыгнуть немного раньше назначенного момента.

Н. — Но результат окажется катастрофическим для несчастного, который окажется в воде раньше, чем думал!

Л. — Успокойся! Речь идет о совсем ничтожном опережении, и пловец уже готов прыгнуть в воду. Рассмотрим теперь, как действует тренер. Он толкает пловца вперед до тех пор, пока тот не кувыркнется вниз. Следовательно, между тренером и пловцом необходима односторонняя механическая «связь». Иначе говоря, тренер должен толкать пловца, но не давать ему тащить себя. Если вместо того, чтобы толкать пловца сзади, тренер будет крепко держать его за плечо, станут возможны два варианта: или тренер очень силен и не даст пловцу спрыгнуть в воду, или же пловец увлечет тренера с собой и тот полетит в воду…

Поделиться с друзьями: