Чтение онлайн

ЖАНРЫ

Охотничьи боеприпасы и снаряжение патронов к охотничьим ружьям
Шрифт:
Калибр Диаметр канала ствола, мм Размеры пули (рис. 36) Вес пули, г
D d d1 d2 d3 H h h1 h2 K m
12 18,5 18,4 16 12 4 3,5 24 17 17 10 2 2 35,0
18,2 18,1 34,5
16 17,0 16,9 14,7 11,0 3,7 3,2 22,0 15,6 12,9 9,2 1,8 1,8 29,5
20 15,5 15,4 13,4 10,0 3,3 2,9 20,1 14,2 11,7 8,4 1,7 1,7 24,5
24 14,7 14,6 12,7 9,5 3,2 2,8 19,0 13,5 11,1 7,9 1,6 1,6 22,0
28 14,0 13,9 12,1 9,1 3,0 2,6 18,1 12,8 10,6 7,6 1,5 1,5 20,0
32 12,5 12,4 10,8 8,1 2,7 2,4 16,2 11,5 9,4 6,7 1,3 1,3 15,9

Качество

поверхности пули и заполняемость полоски пулелейки улучшатся, если внутренние поверхности всех частей пулелейки закоптить над открытым пламенем свечи или спички; после затвердевания отливки пулелейка будет легче разбираться, если постучать ее основанием по металлическому массивному предмету (наковальне).

Напомним, что для изготовления пуль можно использовать расплав из бросовых свинцовых аккумуляторных пластин, либо приготовить сплав, содержащий 4 % сурьмы, 8 % олова и 88 % свинца. Перед началом работы детали пулелейки следует нагреть до температуры 100–120 °C.

1.8.12.3. Отливка колпачковой пули 12-го калибра

(ОиОХ, № 2, 1990)

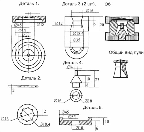
Форма состоит из 4-х деталей. В первую очередь (рис. 37) изготавливают деталь 2 (2 шт.), особое внимание уделяя обработке внутренних поверхностей. Желательно, чтобы они были отшлифованы до зеркальной чистоты. Затем изготавливают детали 1 и 3. Внутренний размер этих деталей должен обеспечивать вставку деталей 2 без особых усилий, в то же время обеспечивая плотное соединение половинок детали 2.

Пуля отливается из свинца; для меньшей деформации в свинец добавляется сурьма — 8 % или же используются свинцовые пластины от старых автомобильных аккумуляторов. Вес пули из аккумуляторных пластин аккумулятора в среднем 35,09 г; с юбкой, залитой парафином, 35,6 г.

Рис. 37. Пулелейка для колпачковых пуль 12-го калибра

Указанные размеры пули дают лучшие результаты отстрела из ружей с диаметром канала ствола 18,2 мм.

При изготовлении пуль для ружей с диаметром канала ствола 18,5 мм в форме для отливки пуль необходимо увеличить ребра до 18,5 мм, т. е. наибольший диаметр пули должен быть согласован с диаметром канала ствола ружья.

1.8.12.4.
Отливка колпачковой пули Астафьева для ружей малых калибров

Охотник А. Астафьев (ОиОХ, № 9, 1984) применяет при охоте на копытных разновидность колпачковой пули, но с плоской головной частью (рис. 38). Вес пули 24 г длина 23,5 мм. Пуля из мягкого свинца отливается в специальной пулелейке. Ее можно изготовить на любом токарном станке из латуни. Конструкция пулелейки видна из рис. 38. Все внутренние поверхности деталей А, В, Г и наружную поверхность детали Б шлифуют. Детали А и Б вытачивают отдельно или как одно целое. Если деталь Б вытачивают отдельно, то ее запрессовывают в деталь А. В детали В надфилем с торцов делают неглубокие проточки. Без них «юбка» пули часто формируется с дефектами.

Рис. 38. Пулелейка для колпачковых пуль малых калибров

Перед работой пулелейку собирают, ставят на ровную поверхность и расплавленный свинец заливают через отверстие в детали Г. Затем, слегка постучав по детали А, разъединяют пулелейку, срезают излишки свинца с детали Г и за прилив щипцами извлекают пулю из детали В. После того, как пули остынут, на ровной доске из мягкой древесины острым ножом срезают приливы. Далее, пули ставят открытым концом вверх и заливают расплавленным капроном или полиэтиленом. Для этой цели годятся куски полиэтиленовых и капроновых труб, старые детские игрушки.

При стрельбе из нижнего ствола ружья «Белка» 28-го калибра на расстоянии в 35 м восемь пуль уложились в круг диаметром 15 см. Пуля была испытана на охоте по косуле, изюбру, лосю и медведю. Основные достоинства пули — достаточное останавливающее действие, незначительный рикошет.

Наилучшие результаты получены на охоте по кабанам и изюбрам. Для ружей 28-го калибра наиболее эффективна стрельба на дистанции до 50 м.

1.8.12.5. Изготовление недеформируемых пуль (Блондо, Рубейкина, Бублия и др.)

Вытачиваются на токарном станке из бронзы, латуни или стали. Размеры пуль даны в описании.

Для пули Блондо заливка двух вертикальных поясков в проточенные канавки проводится в металлической форме, стягиваемой болтами. Заправка свинцовых поясков в проточки в домашних условиях сложна. Известны различные варианты кустарного изготовления этой пули (ОиОХ, № 11, 1991).

Для пуль Бублия и Пасечного крестообразная свинцовая вставка отливается, а потом запрессовывается.

1.9. Боеприпасы к нарезному оружию

1.9.1. Патроны для нарезного оружия

Современные нарезные ружья рассчитаны на применение в них стандартных патронов, снаряжаемых на заводе. Самостоятельное снаряжение не может дать нужных показателей боя. Боеприпасы для снаряжения патронов к нарезному оружию в продажу не поступают.

Патроны для нарезных ружей могут быть подразделены на патроны бокового огня или кольцевого воспламенения калибра 5,6 мм и центрального боя, к которым относятся все остальные патроны. Патроны бокового огня (кольцевого воспламенения) состоят из свинцовой пули и цельнометаллической латунной или стальной гильзы, на дно которой по ее периферии кольцеобразно нанесен ударный капсюльный состав.

Патрон для нарезного оружия состоит из гильзы, капсюля, порохового заряда и пули.

Большинство пулевых охотничьих ружей рассчитано на давление не выше 3000 атмосфер. За рубежом часть патронов, родственных калибрам наших ружей, выпускаются для более мощного оружия типа «Магнум». Такие патроны обозначаются либо словом «Magnum», либо буквой S и с выдавленным на гильзах рифленым колечком. Эти надписи и знаки означают, что патрон содержит усиленный заряд, развивающий давление более 4000 атмосфер. Стрельба такими патронами, как и патронами с цельнооболочечными остроносыми пулями, допустима лишь из ружей, снабженных клеймом «Magnum» и соответствующими указаниями в паспорте ружья.

1.9.1.1. Гильзы

Патроны, применяемые в охотничьем оружии, могут иметь гильзы цилиндрической и бутылочной формы. В свою очередь, цилиндрические и бутылочные гильзы могут иметь предназначенный для экстрактора выступающий фланец без проточки и с проточкой, не выступающий фланец с проточкой. Кроме того, только бутылочные гильзы могут иметь утолщение стенок у донной части, образующее снаружи упор, фиксирующий положение патрона в патроннике. Гильзы с выступающим фланцем чаще всего применяются в комбинированном охотничьем оружии и штуцерах, т. е. в ружьях-«переломках». Выступающий фланец может иметь фаску. За рубежом гильзы с фланцем имеют маркировку R. Гильзы с невыступающим фланцем и проточкой используются в самозарядных и магазинных охотничьих карабинах.

Поделиться с друзьями: