Чтение онлайн

ЖАНРЫ

Астероидно-кометная опасность: вчера, сегодня, завтра
Шрифт:

Как оказалось, астероид пройдет мимо Земли 13 апреля 2029 г. на расстоянии даже меньшем, чем это ранее предполагалось: от центра Земли оно составит немного более 38 000 км — меньше высоты полета геостационарных спутников. На ночной половине Земли астероид можно будет наблюдать как звезду 3,3m. Для землян столь близкое прохождение небесного тела само по себе мало чем опасно. Однако опасными могут оказаться его последствия. Для астероида сближение с Землей обернется большим или меньшим изменением элементов орбиты под влиянием возмущения со стороны гравитационного поля планеты. Величина возмущений существенно зависит от минимального расстояния до астероида. К сожалению, сегодня это расстояние может быть рассчитано недостаточно точно. Отсюда возникает некоторая неопределенность прогноза дальнейшего движения астероида. В любом случае значительно изменится большая полуось его орбиты, или, другими словами, его среднее движение. Орбита астероида из внутренней по отношению к Земле (орбиты типа Атона, выходящей за пределы орбиты Земли только в окрестности афелия) превратится в орбиту типа Аполлона, с большой

полуосью, превышающей 1 а.е., и подходящую к Солнцу ближе орбиты Земли в окрестности своего перигелия. Орбитальный период, который в настоящее время равен 0,89 года, превысит величину одного года. При этом может оказаться, что продолжительность нового периода, выраженная в годах, составит величину, представляющую собой отношение двух целых чисел, например 7: 6. Это будет означать, что по прошествии семи лет тело совершит относительно Солнца шесть оборотов, в то время как Земля совершит в точности семь оборотов. По истечении этого периода времени ситуация встречи тел на орбитах должна повториться. При небольшом отличии от точной соизмеримости периодов возможно даже ухудшение ситуации, имевшей место в предыдущем сближении. Например, если в предыдущем сближении тело прошло через точку минимального расстояния между орбитами немного ранее, чем Земля, ввиду чего столкновения тел не произошло, то к моменту очередного сближения тело может несколько задержаться и прийти в роковую точку одновременно с Землей. Как показывают расчеты, для 2004 MN4 в результате сближения в 2029 г. возможен целый спектр неблагоприятных преобразований орбиты, которые ведут либо к непосредственным столкновениям через несколько лет с Землей, либо к новым очень тесным сближениям с нею и новым опасным трансформациям орбиты в будущем.

В ближайшие десятилетия или даже столетия астероид будет являться источником постоянной угрозы для Земли, пока вековые возмущения перигелия и узлов орбиты не уведут его восходящий узел на эклиптике достаточно далеко от орбиты Земли. Правда, эти же возмущения через несколько тысяч лет приведут к опасной близости к орбите Земли его нисходящий узел [Заботин, Медведев, 2008]. На интервалах в десятки тысяч лет движения перицентра и узлов будут периодически приводить орбиту астероида к пересечениям с орбитой Земли. Орбита астероида является, таким образом, динамически неустойчивой. В конечном итоге астероид либо выпадет на Землю, либо в результате тесных сближений с нею большая полуось и эксцентриситет его орбиты будут радикально преобразованы, и астероид выпадет на Солнце (при очень большом эксцентриситете) или получит возможность сближаться с другими большими планетами и эволюционировать под влиянием тесных сближений с ними.

Такова в общих чертах картина движения данного астероида и эволюции его орбиты. В июне 2005 г. астероид 2004 MN4 получил постоянный номер 99942 и вскоре после этого ему было присвоено имя Apophis (Разрушитель) (греческое имя египетского божества Aпеп, которое, согласно легенде, таится во мгле и пытается разрушить Солнце во время его ночных странствий по подземному миру).

7.7.2. Точность знания орбиты Апофиса на современном этапе. Для оценки угрозы Земле со стороны (99942) Апофиса первостепенное значение имеет знание его точной орбиты. Орбита астероида имеет необычайно малое межорбитальное расстояние с орбитой Земли, равное 0,00027 а.е. Это определяет возможность очень тесных сближений астероида с Землей, которые происходят в окрестности 13 апреля, если Земля пересекает линию узлов орбиты Апофиса на эклиптике почти одновременно с астероидом. Ближайшее по времени тесное сближение Апофиса с Землей произойдет 13 апреля 2029 г., когда минимальное расстояние между их центрами будет около 38 000 км (рис. 7.4). Размеры Апофиса (~270 ± 60 м) и особенности его орбиты таковы, что до 2012 г. трудно ожидать его новых наземных наблюдений (см. ниже).

Рис. 7.4. Положения Земли и Апофиса на их орбитах 1 апреля 2029 г.

Радарные наблюдения более информативны и позволяют даже при небольшом их числе существенно повысить точность определения орбиты. Известны, по крайней мере, четыре определения орбиты Апофиса с использованием имеющихся радарных и большей части оптических наблюдений. Все четыре системы параметров орбиты найдены путем взвешенного уравнивания систем условных уравнений и их решения по методу наименьших квадратов. Представляет значительный интерес сравнение найденных параметров орбит и полученных оценок их точности. Как уже было сказано, из-за небольших различий в значениях параметров в начальную эпоху проистекают существенные различия в прогнозе движения Апофиса после 2029 г. и различия в оценке вероятности его столкновения с Землей в 2036 г. и в последующие годы. Ниже дается оценка того, насколько близки найденные решения друг к другу и сколь существенно может отличаться прогноз движения на время после 2029 г. из-за различия моделей движения и неучтенных факторов, влияющих на движение астероида.

Были проведены сравнения систем элементов орбиты и оценки их точности, полученные в Институте прикладной астрономии (ИПА) РАН, Лаборатории реактивного движения (ЛРД НАСА, США), в Пизанском университете (Италия) (NEODyS) и группой сотрудников ЛРД, радиообсерватории Аресибо и Калифорнийского технологического института [Giorgini et al., 2008]. Первые три системы найдены на эпоху 2007, апрель 10,0, четвертая система — на эпоху 2006, сентябрь 1,0. При получении каждой системы было использовано разное число оптических наблюдений. Различалась и процедура назначения весов условным уравнениям. Соответственно различаются и оценки средней

ошибки. Тем не менее, первые три системы весьма близки друг к другу, и различие между ними находится в пределах найденных ошибок элементов.

В табл. 7.1 представлены значения координат и компонент скорости Апофиса и их среднеквадратичные погрешности (решение ИПА РАН). Для сравнения рядом указываются данные, соответствующие решению, полученному только по оптическим наблюдением. Очевидно, что включение в решение радарных наблюдений увеличивает его точность в несколько раз.

Таблица 7.1. Координаты и компоненты скорости Апофиса в эпоху JD 2454200,5 (10.04.2007) и их средние ошибки, полученные при использовании оптических и радарных и только оптических наблюдений

7.7.3. Сближение с Землей в 2029 г. Интересно проследить, какие следствия вытекают из различий между полученными решениями. Эти различия в первую очередь касаются минимального расстояния между Землей и Апофисом, достигаемого 13 апреля 2029 г. Величины этих расстояний в момент времени JD 2462240,407115, близкий к эпохе максимального сближения этих тел в 2029 г., представлены в табл. 7.2.

Следует оговориться, что только в случае решения ИПА эти величины подсчитаны в полном соответствии с моделью, использованной при уточнении орбиты. В решении [Giorgini et al., 2008]) использована так называемая стандартная динамическая модель (учет гравитационных возмущений от больших планет, Земли и Луны, трех малых планет и релятивистских возмущений).

Таблица 7.2. Минимальные расстояния между Землей и Апофисом 13 апреля 2029 г.

В случае решения ИПА добавлен учет светового давления и сжатия Земли и Солнца, а также учет эффекта фазы. Модели движения, использованные в двух других случаях, лишь незначительно отличались от модели, использованной в ИПА. Несмотря на некоторое различие использованных моделей, видно, что все четыре решения дают близкие значения минимального расстояния между Землей и Апофисом.

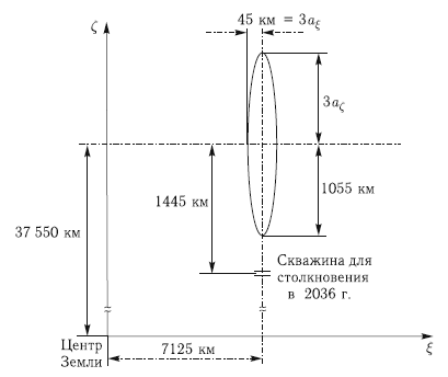
Следующим этапом рассмотрения сближения является построение эллипса рассеяния в плоскости цели (см. раздел 7.5). Расчеты, выполненные на момент времени JD 2462240,407115, дают = 7125 км, = 37 550 км, a = 15,0 км, a = 351,6 км (рис. 7.5).

Если эллипс рассеяния ограничить только теми точками, которые образованы виртуальными астероидами, берущими начало в области начального эллипсоида рассеяния с осями ±3Ei, то его большая полуось равна 3a, а малая — 3Ei. Эллипс рассеяния, таким образом, весьма вытянут (рис. 7.5). Расстояние от центра эллипса рассеяния до центра Земли столь велико и размеры эллипса столь малы, что ни о каком столкновении в 2029 г. речи быть не может.

Рис. 7.5. Положение эллипса рассеяния на плоскости цели 13 апреля 2029 г.

7.7.4. Возможность резонансных возвращений в 2036 г. и в последующий период. Различные точки большой полуоси эллипса рассеяния соответствуют различным виртуальным астероидам. Если в номинальном решении варьировать значение среднего движения в пределах от +3n до величины -3n, а все остальные элементы оставлять неизменными, то точки пересечения виртуальных астероидов с плоскостью цели пробегают всю большую ось эллипса, начиная с ближайшего к Земле ее конца и заканчивая наиболее удаленным концом (рис. 7.5). Соответствующие виртуальные астероиды пройдут на различных расстояниях от центра Земли и поэтому их орбиты изменятся по-разному.

Особенно значительны по своей величине и возможным последствиям будут изменения большой полуоси. Так, среднее движение астероида, прошедшего через ближайший к Земле конец большой оси эллипса, изменится от 1,11385 до 0,84407 °/сут, а среднее движение астероида, прошедшего через дальний конец большой оси эллипса, изменится от 1,11385 до 0,85429 °/сут. Измененным значениям среднего движения соответствуют периоды обращения, выраженные в годах, P = 1,1677 и P = 1,1537. В силу непрерывности существуют виртуальные астероиды, которые будут иметь периоды обращения, равные любому числу в указанных пределах. В частности, верхний предел близок к отношению 7: 6 1,1667. Виртуальные астероиды с периодами, близкими к 1,1667 года, по истечении семи лет, совершив шесть оборотов вокруг Солнца, опять окажутся вблизи Земли, и минимальное расстояние от Земли для некоторого множества из них может оказаться меньше или равным радиусу Земли, что будет означать столкновение. Более точное представление о реальной ситуации в апреле 2036 г. можно получить, если численным путем проследить движение большого числа виртуальных астероидов, чьи точки пересечения с плоскостью цели в апреле 2029 г. располагаются вдоль большой оси эллипса рассеяния. Получить начальные условия для таких виртуальных астероидов можно путем варьирования среднего движения Апофиса в начальную эпоху в пределах ±3n (для большей гарантии вариацию можно брать в более широких пределах). Значения минимальных расстояний между Апофисом и Землей в 2036 г., полученные для вариаций среднего движения в пределах от +11 252 10– 11 до +11 257 10– 11 °/сут, приведены в табл. 7.3.

Поделиться с друзьями: