Чтение онлайн

ЖАНРЫ

КВ-приемник мирового уровня? Это очень просто!
Шрифт:

«А»: Поверь, друг, что «эта дорога ведет к храму»! Вот смотри, модулированный сигнал ПЧ2 поступает на вход электронной цепи, обладающей целым набором нужных нам свойств. Реализуется эта цепь на диодах VD16— VD19, представляющих собой, балансируемую с помощью подстроечного резистора R66 схему «моста». Выходы этой цепи подсоединены к микросхеме, представляющей собой ДИФФЕРЕНЦИАЛЬНЫЙ УСИЛИТЕЛЬ постоянного тока. Свойства этого усилителя очень интересны. Я вот тут обозначил постоянные напряжения, снимаемые с диагоналей моста, как UC1 и UC2.

Так вот, дифференциальный усилитель (ДУ) воплощает в

жизнь следующую формулу:

Uвых = K(UC2UC1)

Здесь К — коэффициент усиления по постоянному току.

«Н»: Если я тебя верно понял, то при взаимном равенстве друг другу величин сигналов на входах, напряжения на выходе дифференциального усилителя не будет никакого? Но тогда зачем он нужен?..

«А»: А ты присмотрись повнимательней! Что происходит? Если оба входных напряжения равны между собой, его выходное напряжение, которое и вправду равно нулю, поступает на вход интересной цепи, которая называется ИТУН — источник тока, управляемый напряжением. Поскольку в данном случае потенциал на входе ИТУН равен нулю, то в выходной его цепи, нагрузкой которой является резистор R72, ТОК равен нулю. Что при этом будет?

«Н»: При этом падения напряжения на R72 никакого нет. А значит, весь положительный потенциал, равный напряжению питания, приложен к затворам полевых транзисторов аттенюатора ПЧ2, принцип действия которого мы уже рассмотрели.

«А»: То есть при этом (повторение — мать учения) аттенюатор НИКАКОГО ослабляющего действия на уровень входного сигнала ПЧ2 не оказывает. А вот теперь предположи, что сигнал на входе приемника из-за всяких там атмосферных дел, будет возрастать.

«Н»: Тогда, соответственно, возрастут сигналы и на выходе УВЧ, и на выходе УПЧ 1, и на выходе УПЧ2. А поскольку УПЧ2 обладает значительным усилением, то ему, очевидно, достанется больше всех!?..

«А»: А про наши бедные уши ты подумал? Ведь при росте амплитуды сигнала с антенного входа всего на один порядок, на входе детектора сигнал должен был бы достичь уровня 12 вольт, а то и больше! Вообрази на секунду, какие нелинейные искажения создаст подобный сигнал на выходе усилителя мощности звуковой частоты (УМЗЧ)! И каково придется слушателю?

«Н»: Но ведь у нас предусмотрен этот случай?

«А»: Ну, а как же? Ведь вся эта возня с АРУ затеяна именно для того, чтобы подобная ситуация оставалась только плодом нашего буйного воображения.

В самом деле, возросший уровень сигнала промежуточной частоты немедленно нарушит баланс моста. При этом на выходе ДУ появится положительный потенциал, который приведет к генерации соответствующего тока в нагрузке ИТУН.

«Н»: А это будет причиной падения напряжения на резисторе R72…

«А»:…И немедленного уменьшения, запирающего полевые транзисторы аттенюатора, потенциала на их затворах. Что приведет к уменьшению амплитуды сигнала непосредственно на входе УПЧ2. А это ЭКВИВАЛЕНТНО самому радикальному понижению коэффициента усиления (передачи) всего тракта ПЧ2.

«Н»: Вот и нет никакой перегрузки на выходе. И ничего не напрягает чрезмерно наши уши!

«А»: Ну разве что какая-либо нежелательная информация, которую ты «подцепил» на антенну своего учебно-экспериментального… Но даже она прозвучит, с точки зрения акустики, с минимальными нелинейными искажениями…

«Н»: Единственное утешение. Но мне кажется, что вся эта схема будет отрабатывать свой хлеб ПРИ ЛЮБОЙ, даже достаточно малой величине сигнала с выхода ПЧ2. Разве нет?

«А»: Все в наших руках, как сказал однажды какой-то пират, направляя свой бриг во время шторма прямо

на скалы… Во-первых, мы вполне можем так отбалансировать диодный мост, что создадим некоторый запас запирающего напряжения. Тогда, для того, чтобы привести цепь ИТУН в действие, нужно, чтобы амплитуда несущей сигнала на выходе УПЧ2 в определенный момент стала выше порога. То есть мы можем реализовать ЗАДЕРЖАННУЮ АРУ. Во-вторых, потенциал, который приложен к затворам VT6 и VT7 — заведомо несколько превышает порог запирания. Тем самым и в этом случае у нас имеется определенный запас регулирования. Так что представленная схема, будучи весьма эффективной, дает полную свободу для творческого выбора порога срабатывания системы АРУ.

«Н»: А вот такие УПЧ, охваченные АРУ, как-то количественно характеризуются?

«А»: Еще бы! Говорят о таком параметре, как ГЛУБИНА АРУ. Должен заметить, что рассмотренная нами схема, в этом отношении выглядит весьма достойным образом. Ее глубина АРУ, как утверждает Спец, достигает 66 дБ/6 дБ. И даже несколько выше.

«Н»: А что это означает, если от шибко технического термина ДЕЦИБЕЛ перейти к общедоступным «разам»?

«А»: Вообще недурственно тебе было бы приобщиться к пользующимся заслуженным почетом, уважением и международной популярностью; официальным техническим терминам. Но если уж ты так настаиваешь (только по старой дружбе), спешу сообщить, о чем сие соотношение говорит… Так вот, при изменении сигнала на входе второй ПЧ в 3000 раз (имеется в виду его возрастание от некоторой минимальной рабочей величины), сигнал на выходе УПЧ2, возрастет только в 3 раза! Но ведь ты понимаешь, что реально сигнал может возрасти не более, чем в 500 раз. Поэтому выходной сигнал на выходе УПЧ, практически, не изменится!

«Н»: Вот это здорово! Но мы «оставили за бортом» еще несколько моментов.

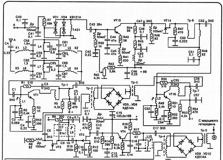
«А»: Помню-помню. Как же, узел U3? Вот он, долгожданный, на рис. 15.3.

Кстати, заметим, что, хотя мы решили ограничиться только двумя диапазонами, забывать об их коммутации все равно нельзя. А нам следует переключать не только герконовые реле, но о многооборотный резистор ППМЛ (R25). Так что я привожу полную схему коммутации для «учебно-тренировочного» (рис. 15.4). Теперь возвращаемся к узлу U3.

«Н»: Такой сложный?… Что же ты молчишь? И почему у тебя такой меланхолически-философский вид? Ты устал от разъяснений?

«А»: Я просто, как говорят, слегка «задумался о высоком»… И виной тому — твои навязчивые мысли о сложности! Якобы присутствующей на предложенной тебе схеме. Между тем, дорогой Незнайкин, можешь поверить моему скромному опыту. Тем более, что он опирается на значительно больший опыт Спеца. Так вот, этот опыт говорит — бояться следует не столько схем «средней» сложности, сколько схем «ПРОСТЫХ»! Порой именно «простые» схемы скрывают в себе настоящие сложности! Но об этом мы поговорим в следующий раз.

Глава 16. Прогулка по схеме «учебно-тренировочного»

«Незнайкин»: Добрый день, дорогой Аматор. Мне не терпится продолжить нашу беседу-путешествие по схеме KB-приемника, который мне уже просто не терпится построить. Я бодр, сосредоточен и готов к восприятию новой информации.

«Аматор»: Добавь — такой нужной и полезной. После этой твоей блестящей демонстрации самовнушения мне ничего не остается другого, кроме как приступить к обсуждению принципиальной электрической схемы узла U3. У тебя снова вопрос?

Поделиться с друзьями: