Чтение онлайн

ЖАНРЫ

Системы видеонаблюдения. Практикум
Шрифт:

На практике вариантов всегда несколько, но одно неоспоримо: никому не нужно все время сидеть и всматриваться монитор – он включится сам по необходимости. Устройство может применяться как в домах частного сектора (жилых помещениях), так и на промышленном (коммерческом) производстве.

В коммерческих и производственных структурах физическая охрана, возможно, будет наиболее оправданна, так как экономить на охране, если есть что охранять, чревато. А в домашних условиях такая схема показала себя весьма эффективной, удобной и не требует к себе практически внимания.

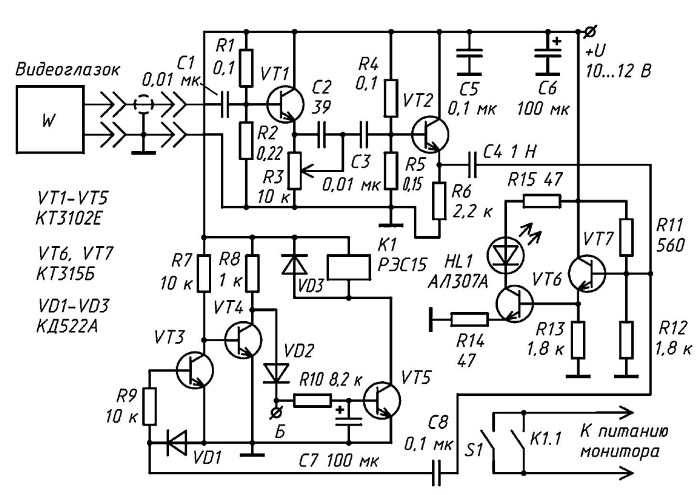
На рис. 2.38 показана электронная схема автоматического включения устройств

отображения видеосигнала и звуковых усилителей при импульсе с контролируемого объекта.

Рис. 2.38. Электрическая схема чувствительного видеоусилителя сигналов (для видеоглазка)

Устройство стабильно работает, обеспечивая автоматический аудио-видеоконтроль помещения перед входной дверью квартиры. Рассмотрим вариант видеоконтроля.

С промышленного видеоглазка, установленного в торце квартирной двери (смотри блок-схему рис. 2.38), который включен постоянно, любым экранированным кабелем (можно применять и РК-75) видеосигнал поступает на видеоусилитель, модулятор и далее на видеодетектор, который включает реле K1 при изменениях видеосигнала.

Видеоусилитель имеет регулировку усиления на переменном резисторе R3, который следует подобрать с линейной характеристикой. Транзисторы VT1-VT5 с большим коэффициентом усиления можно заменить на KТ373А,Б, KТ342В, KТ3102Б.

Усилитель эффективно работоспособен при колебаниях напряжения питания 9-12 В.

Режимы смещения транзисторов VT1 и VT2 следует установить так, чтобы на базе VT1 уровень напряжения был 5,5 (±5 %) В, на его эмиттере 5 В, на базе VT2 напряжение 4,5 В, на эмиттере 3,8 В (±5 %). Видеоусилитель можно исключить из электрической схемы, если уровень выходного сигнала с видеодатчика находится в пределах 0,8–1 В.

Точка А в схеме является входом индикатора модуляции на транзисторах VT6, VT7 и входом детектора видеосигнала.

Транзисторы VT6, VT7 можно заменить на KТ312А-В. Уровень чувствительности схемы выбран таким, что светодиод HL1 сигнализирует наличие модуляции– измене-ния в общем фоне видеосигнала.

Видеодетектор на транзисторах VT3-VT5 управляет реле и монитором в зависимости от видеосигнала на входе (точка А).

Поступающие импульсы открывают транзистор VT3 и запирают транзистор VT4. На RC-цепочку задержки, реализованную на элементах R1 °C7, проходит постоянная составляющая напряжения, конденсатор С7 быстро заряжается, создается напряжение прямого смещения на базе транзистора VT5, он открывается и коммутирует реле.

Диод VD3 служит препятствием бросков обратного напряжения и устраняет дребезг контактов реле.

Когда активные видеоимпульсы в точке А пропадают и транзистор VT4 открывается, реле остается включенным, пока не разрядится конденсатор С7. Так обеспечивается задержка времени выключения монитора.

При указанных на схеме номиналах С7 и R10 и напряжении питания +12 В задержка выключения монитора составит примерно 1,5 минуты. Задержка времени выключения монитора необходима для более эффективного контроля. Переключателем S1 можно вручную установить постоянный режим работы монитора.

Конденсаторы С5, С6 фильтруют помехи по питанию. В качестве реле K1 используется любое маломощное реле на напряжение срабатывания 10–12 В с двумя группами контактов или два реле типа РЭС 15, РЭС10, РЭС55 (на напряжение

питания 10–12 В), включенные параллельно. Первой группой контактов K1.1 замыкается цепь питания видеомонитора. Второй группой контактов (смотри рис. 2.37) K1.2 управляется схема кратковременного звукового сигнала. Одновременно с включением видеомонитора устройство издает кратковременный звуковой сигнал на 2–3 секунды для привлечения внимания людей к ситуации.

Достоинством схемы, кроме описанных выше, можно назвать реальную экономию ресурса монитора.

Недостатком такого схемного решения является необходимость постоянного освещения контролируемой зоны, для того чтобы видеодатчик (видеоглазок) эффективно реагировал на изменения в пространстве.

Аудиодатчик В1 – высокочувствительный электретный микрофон типа МКЭ-30 замаскирован в двери (или на косяке). Он обернут со всех сторон прорезиненными подушечками для меньшего восприятия к ударам по конструкции дома.

Такими ударами в жилых домах являются громкое закрывание железной двери в подъезде, «хлопанье» соседних дверей, опускание крышки мусоропровода и другие механические и акустические воздействия. Сигнал от микрофона коротким (до 1 метра длиной) экранированным проводом поступает на чувствительный предварительный усилитель звуковой частоты, а затем на схему чувствительного аудиодетектора, управляющего монитором и схемой задержки.

Транзисторы VT8-VT10 в предварительном усилителе обязательно должны обеспечивать большой коэффициент передачи в диапазоне звуковых частот – от этого зависит эффективность усилителя.

Указанные на схеме транзисторы можно заменить на KТ3102Е, KТ373А, в крайнем случае подойдут KТ315Б.

В усилителе организована регулировка усиления с помощью переменного резистора R16, изменяющего глубину обратной связи.

На выходе предварительного микрофонного усилителя используется чувствительный детектор аудиосигнала, организованный как «детектор шума» на популярном операционном усилителе KР1401УД2. Он реагирует на минимальные изменения звукового фона.

При необходимости, устройство можно дополнить оконечным усилителем звуковой частоты с тем, чтобы можно было на расстоянии прослушивать фон контролируемого объекта.

Если достаточно только видеоконтроля схему акустического автомата можно исключить. Однако следует иметь в виду, что она будет незаменимой в той ситуации, когда обеспечить освещенность контролируемого участка для нормальной работы видеодатчика не представляется возможным.

Как вариант, в другом исполнении, в качестве исполнительного элемента-нагрузки к устройству аудио детектора и задержки выключения, можно подключить саму лампу освещения лестничной клетки. Тогда можно эффективно экономить свет и ресурс лампы освещения, ведь она будет загораться и автоматически гаснуть, только когда на лестничную клетку зайдут люди, нарушив нейтральный звуковой фон.

Устройство не содержит дорогих или дефицитных деталей, не требует настройки и при правильном монтаже начинает работать сразу.

Схемы задержки выключения монитора и кратковременного звукового сигнала подробно описаны в радиолюбительской литературе, в том числе автором, и имеют известные принципы работы.

Литература

1. Кашкаров А. Система видеонаблюдения для охранного телевидения на основе видеоконтроллера TW2700 фирмы Techwell Inc. / А. Кашкаров //Компоненты и технологии. – 2008. – № 9. – С. 22.

Поделиться с друзьями: